您當前的位置:首頁 / 產品展示
LZZ型帶制動輪彈性柱銷齒式聯…
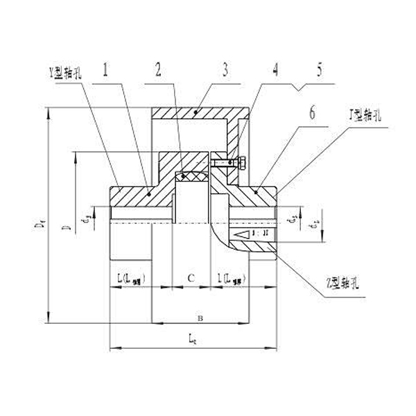
LZ型彈性柱銷齒式聯軸器
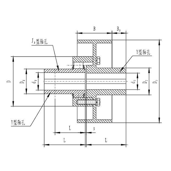
LM(ML)型梅花形彈性聯軸器
LMZ-I型帶制動輪梅花形聯軸器
LMZ-II型帶制動輪梅花形彈性聯…
ZT-A型星形彈性聯軸器
ZT-P型帶制動盤星形彈性聯軸器
T05系列快速拆裝型蛇形彈簧聯…
T10系列基本型蛇形彈簧聯軸器
Tm10系列基本型短軸孔蛇形彈簧…
T61系列制動輪聯軸器
T63系列制動盤聯軸器
在新時代,有著新的挑戰,寶德隆本著“以質量求生存,以服務求發展”的企業理念,繼續奮進,不斷創新
在線留言
瑞安市寶德隆機械配件有限公司
手機網站
Copyright ? 2019 瑞安市寶德隆機械配件有限公司 版權所有. All Right Reseved 浙ICP備11049930號-2 主營產品:脹套、蛇形聯軸器、風電鎖緊盤 網站地圖